所謂輕觸開關就是在使用的過程中輕輕點按開關按鈕便可以使開關接通,一旦松開手開關就會斷開。因為輕觸開關是靠金屬彈片受力彈動來實現通斷的。然而輕觸開關由于其體積小重量輕所以在家用電器方面能夠得到廣泛的運用,例如:咖啡機,電視機,汽車等。當然12*12輕觸開關也有它不足的地方,頻繁的操作按動會使金屬彈片疲勞失去彈性而引發失效。所以現在大部分電器的按鈕都使用導電橡膠來代替,例如電腦鍵盤,遙控器等。
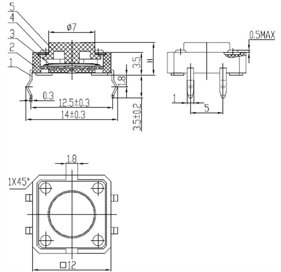
輕觸開關由:嵌件、基座、彈片、按鈕、蓋板組成其中防水類輕觸開關在彈片上加一層聚酰亞胺薄膜。
由于輕觸開關是近十多年市場需求增長非常快、應用面也是非常廣的一個產品。輕觸開關的封裝尺寸包括但不限于:2*4輕觸開關、3*3進口輕觸開關、 3*4小龜、4*4銅頭輕觸開關、4.5*4.5邊三腳輕觸開關(高度:3.8、4.3、5、5.5、6、6.5、 7、8等)、6*6慣例輕觸開關(高度定制:4.3、5、5.5、6....21等)、8*8防水輕觸開關(防水防塵等級IP67)、10*10防水系 列、12*12輕觸開關。
現如今12*12輕觸開關的運用范圍在不斷擴大,然而主要運用的領域在醫療電子產品、視頻類電子產品、車載音響、家電類、便攜式電子產品、檢測測量儀器等。市場配套需求繼續看好,而商家之間競爭也越來越激烈,主要體現在生產專業化、自動化越來越強。
可免費提供樣品測試,歡迎前來咨詢,

7.2*6.8帶燈(KAN6811)
G10F
GYRSF
KAN6247貼片輕觸開關