| 工作溫度 | -10℃~+60℃ |
| 額定電流 | DC30V 0.1A |
| 絕緣電阻 | ≥100MΩ. |
| 介電強度 | 250V AC for 1 min |
| 接觸電阻 | 500mΩ以下 |
| 回路方式 | 單極開閉常時開 |
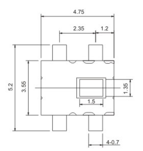
| 高 度 | 13.3mm |
| 按 力 | 不大于1N. |

|
|
|
1、研發設計 自主設計開發能力,從來不懼模仿 深圳設有獨立的研發中心,具備從產品到制程模具、自動化設備的自主設計開發能力
|
|
2、多品類配套 做工精細,2000多種規格產品系 防水/防助焊劑/帶LED/超薄/SMD/AIG等多功能設計 以配合產品制程安裝、使用環境的可信賴使用 |
|
|
3、快速響應式服務 用心堅持,服務從心開始 24*365小時服務,提供更具競爭力的產品; 高標準、嚴要求、品質有保障 全國服務熱線:187-0577-1505 |